Esquema Electrico Aire Acondicionado Citroen Berlingo
Tengo una Partner 16 hdi año 2011 y necesito el esquema del aire acondicionado. 206 Mux Diagrama De Cableados Electricos Parte 1 En.
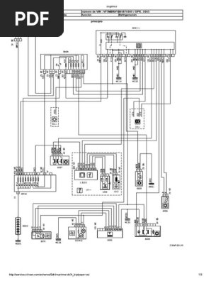
Citroen Berlingo 2002 Esquema De Aire Acondicionado Pdf
Estoy casi seguro que el motor de la Berlingo es igual por lo.
Esquema electrico aire acondicionado citroen berlingo. Esquema Electrico Aire Acondicionado Citroen Berlingo March 02 2020 No Comments. Hola que tal tengo una citroen berlingo furgon hdi 16 diesel 2010 y la caja de fusible bsm b3es igual a la publicada cosa que nada que ver con la que. 0365 citroen cx series 1.
Compresor Aire Acondicionado Nrf 32040 Para Peugeot 406 8b 2 0 Hdi 110 109cv Diesel
Compresor Aire Acondicionado Para Peugeot Partner Furgon 5 1 9 D 69cv Diesel
Soluciones A Los Problemas Con El Aire Acondicionado Del Coche
General De Servicios De Aire Acondicionado Home Facebook
Las Mejores Ofertas En A C Mangueras Y Accesorios Para Peugeot Partner Ebay
Universal De 12v 24v C Aire Acondicionado Kit Para Camion Minibus Van Tractor Excavadora Rv Excavadora A Air Conditioning System Air Conditioning Classic Cars
Aire Acondiconado Esquema Electrico Youtube
Compresor Aire Acondicionado Berlingo C5 C8 Jumpy Xsara 406 607 807
Compresor Aire Acondicionado Citroen Fiat Lancia Peugeot
Condensador Aire Acondicionado Citroen Xsara Picasso Comercial Sia
Serpentin Condensador Oem 293f67 Aire Acondicionado Ecoclim
Citroen Berlingo Iii 2018 2021 Caja De Fusibles Diagramas Y Esquemas Imgvehicle Com
Soluciones A Los Problemas Con El Aire Acondicionado Del Coche
Condensador Aire Acondicionado Citroen Xsara Picasso Comercial Sia
Resistencia De Control De Calefaccion Para Aire Acondicionado P Eugeot C Itroen F Iat 1267e3 9641212480 Sistemas De Refrigeracion Aire Acondicionado Y Calefaccion Interior Ourhouserestaurant Com
Comprar Aire Acondicionado Para Citroen Berlingo Online A Bajo Precio
Compresor Aire Acondicionado Audi Seat Skoda Volkswagen 1k0820803f
Valeo 818171 Condensador Aire Acondicionado Descuentos Hoy

Posting Komentar untuk "Esquema Electrico Aire Acondicionado Citroen Berlingo"