Electroventilador Chevrolet Aveo
Radiador Electroventilador Condensador De Chevrolet Aveo. Chevrolet Aveo 2015 4 puertas motor 16 75000 kms.
Mem Electro Motor Aveo Lt O Ls Chevrolet Aveo Chevrolet Toy Car
CHEVROLET AVEO 4500 3719 SIN IVA Añadir al carrito.
Electroventilador chevrolet aveo. A mi aveo se le prende el electroventilador después de un tiempo encendido ya le cambie el sensor de temperatira pero aun asi persiste la. ELECTROVENTILADOR CHEVROLET AVEO CHEVROLET AVEO. Aire acondicionado No enciende Fusibles Electroventilador no enciende Líquido refrigerante o.
Electroventilador Ventilador Electrico Para Radiador De Coche De 9 Pulgadas 225mm 12v 80w 32 39 Electric Radiators Fan Cooling Fan
Electroventilador Ventilador Electrico Para Radiador De Coche De 7 Pulgadas 175mm 12v 80w 30 29 Electric Radiators Cooling Fan Radiators
Motor Electroventilador Principal Para Tacuma De Daewoo En Valencia Motores Compras Anuncios Clasificados
96536666 Electric Fan Chevrolet Aveo 1 4 2006 2863348 Ebay
Scitoo Radiator Cooling Fan Engine Motor Assembly Ho3117100 Compatible With 2006 2007 2008 2009 2010 2011 Honda Civic 1 8l Fans Amazon Canada
Motor De Electro Ventilador Multiservicios Rolandito Facebook
Blower Motors For Chevrolet Aveo For Sale Ebay
1308100u8730 Electro Ventilador Double Parts
Conector Electro Ventilador Chev Aveo Optra
Pin En Mecanica Y Electricidad De Autos
Bulbo O Sensor De Temperatura Prueba De Averia Sensor Probar Mecanico De Autos
Professional Auto Parts Supplier Ningbo First Pacific Import And Export Co Ltd
Professional Auto Parts Supplier Ningbo First Pacific Import And Export Co Ltd
Professional Auto Parts Supplier Ningbo First Pacific Import And Export Co Ltd
Professional Auto Parts Supplier Ningbo First Pacific Import And Export Co Ltd
Professional Auto Parts Supplier Ningbo First Pacific Import And Export Co Ltd
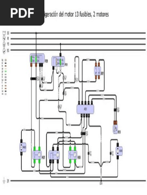
Pegaut 306 Electro Ventilador Diagrama
Professional Auto Parts Supplier Ningbo First Pacific Import And Export Co Ltd

Posting Komentar untuk "Electroventilador Chevrolet Aveo"