Esquema Electrico Fiat Ducato 23 Jtd - bajo lunetaf ag
Lompat ke konten Lompat ke sidebar Lompat ke footer

Esquema Electrico Fiat Ducato 23 Jtd

Spanish n 6 ducato 2 8 jtd circuitos electricos jun 06pdf Esquema eléctrico Fiat Ducato JTD 2800. 2002 English ducato zf 4hp20 transmission repair.

Fuse Box Location And Diagrams Fiat Ducato 2007 2014 Youtube


2002 2002 German 1994 fiat ducato repair.

Esquema electrico fiat ducato 23 jtd. Modelo desde el 2011- Motores. Spanish n 6 ducato 2 8 jtd circuitos electricos jun 06pdf Esquema eléctrico Fiat Ducato JTD 2800. Diesel 23 JTD Multijet Euro 5 es decir creo que.

Libros similares esquemas ducato Fiat Ducato Esquemas Electricos Esquemas Electricos Fiat Ducato esquemas electricos reesquema electrico renault. Hola estoy buscando el esquema eléctrico de la centralita del salpicadero en FIAT Ducato III. Diesel 23 JTD MULTIJET EURO 5 Fiat Ducato 23 JTD 130 y 150 CV Manual técnico muy completo para la reparación.

Fuse Box Location And Diagrams Fiat Ducato 2015 2019 Youtube


Fiat Ducato 2002 2006 Diagrama De Caja De Fusibles


Fiat Ducato Mk3 2006 2014 Diagrama De La Caja De Fusibles


Manual Fiat Ducato 2 3 Mjt X250 Noac Pdf Biens Manufactures Machine


Fiat Ducato Manual De Taller Service Manual Manuel Reparation Youtube


Fiat Ducato Mk3 2006 2014 Diagrama De La Caja De Fusibles


Manual De Taller Fiat Ducato Iii Diesel 2 3 Jtd Multijet Desde 4 2011 R232


Fiat Ducato Mk3 2006 2014 Diagrama De La Caja De Fusibles


Fiat Ducato Camion De Pasajeros Fiat Ducato Camion De Pasajeros Fiat Ducato Caracteristicas Dimensiones


Cruise Control Original Fiat Ducato


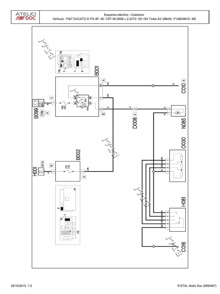
Calefaccion Fiat Ducato 250


Blog De Ayuda Electro Mecanica Esquema Electrico De Motor Fiat Ducato Multijet 2 3 Jtd A Partir Del Ano 2009


Www Sprzedajemy Pl Nowa Stacyjka Klucze Fiat Ducato 2 3 2006 2015 1348421080 Electrica


Las Mejores Ofertas En Kits Y Ventiladores De Refrigeracion Para Fiat Ducato Ebay


Fiat Ducato Manual De Reparacion Manualesdetodo Net


Fiat Ducato Manual De Taller Service Manual Manuel Reparation


Manual De Taller Fiat Ducato Iii Diesel 2 3 Jtd Multijet Desde 4 2011 R232


Fiat Ducato Presentacion Y Prueba En Italia Parte 2


Manual De Taller Fiat Ducato Iii Diesel 2 3 Jtd Multijet Desde 4 2011 R232



Posting Komentar untuk "Esquema Electrico Fiat Ducato 23 Jtd"