Esquema Electrico Citroen Xsara
ESQUEMAS ELECTRICOS Y DATOS TECNICOS CITROEN XSARA 19 D DATOS TECNICOS DE MOTOR Y ESQUEMAS ELECTRICOS CITROEN XSARA. Diagram 1 Information for wiring diagrams Diagram 2 Starting charging and Diagram 11 Clock sunroof headlight levelling and audio system Diagram We have recently bought a Picasso and my oh wants to change the stereo be able to post the wiring diagram for the original stereos in a picasso if you local Citroen.
Citroen Xsara Picasso Esquema Electrico Gestion Motor Nfv Opr 9515 Pdf
Citroen Xsara Ii Manual De Taller 2000 2005 Pdf Txt
Citroen Xsara Picasso Esquema Electrico Gestion Motor Nfv Opr 9515 Pdf
Citroen Esquema Electrico Ordenador De Abordo Xsara Fase Ii Png Diagramas De Autos Diagramasde Com Diagramas Electronicos Y Diagramas Electricos
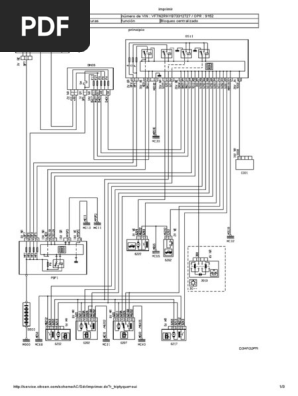
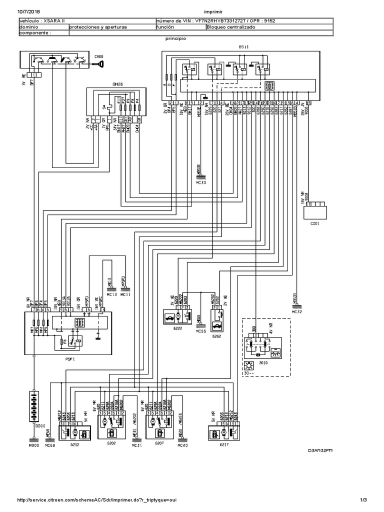
Citroen Xsara Rhy 2001 Esquema Cierre Centralizado Pdf
Citroen Xsara Rhy 2001 Esquema Cierre Centralizado Pdf
Esquema Electrico Citroen 2cv Jlk9do065045
Citroen Xsara Ii Manual De Taller 2000 2005
Xsarausuarios Topic Esquema Electrico De La Bsi 1 1
Ser Mecanicoser Mecanico Esquema Eletrico Injecao Peugeot E Citroen Peugeot Eletrica Esquema
Diagrama Correia Poli V Xsara Picasso 2 0 16v Correia Diagrama Motos
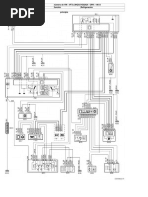
Esquema Electrico Citroen C5 2 0 Pdf Vehiculos Tecnologia De Vehiculos
Esquema Electrico Citroen 2cv Jlk9do065045
Citroen Xsara Ii Manual De Taller 2000 2005 Pdf Txt
Bmw X5 Wiring Diagram Bmw X5 Bmw Bmw X5 E53
Diagram Wiring Diagram De Volvo En Full Version Hd Quality Volvo En Mediagrame Newsymposium It
Busco Manual Taller Citroen Zx 16v 167cv Foro Coches
Pajero Wiring Diagram Pdf Carlplant Mitsubishi Electrical And Electrical Wiring Diagram Jet Boats Electrical Diagram
Esquema Electrico Citroen C4 Pdf

Posting Komentar untuk "Esquema Electrico Citroen Xsara"